- Zadzwoń! +48 519 53 21 32
-
-
-
-
-
- Boczki bagażnika
- Fotele, kanapy
- Tunele środkowe
- Uchwyty fabryczne
- Osłony, zaślepki
- Panele sterowania, przełączniki
- Rolety bagażnika
- Podsufitki
- Elementy mocujące
- Poszycia słupków
- Deski rozdzielcze, konsole
- Liczniki, zegary
- Pasy bezpieczeństwa
- Wykładzina
- Pozostałe
- Schowki, półki
- Osłony przeciwsłoneczne
- Pedały
- Oświetlenie kabiny
- Zagłówki
- Podłokietniki
- Kierownice
- Lusterka wewnętrzne
- Sprężyny gazowe
- Mocowanie koła zapasowego
- Boczki drzwi
- Kratki nawiewu
- Popielniczki
- Klamki wewnętrzne
- Kratki nawiewu
- Klamki wewnętrzne
- Półki tylne
- Poduszki powietrzne
- Nawigacje GPS fabryczne
-
-
Filtry +
-
-
-
-
-
- Pozostałe
-
-
-
Chemia +
-
-
-
- Promocje i wyprzedaże
- O nas
- Kontakt
Poprzedni
keyboard_arrow_left
Następny
keyboard_arrow_right
Link do produktu
Link skopiowany!
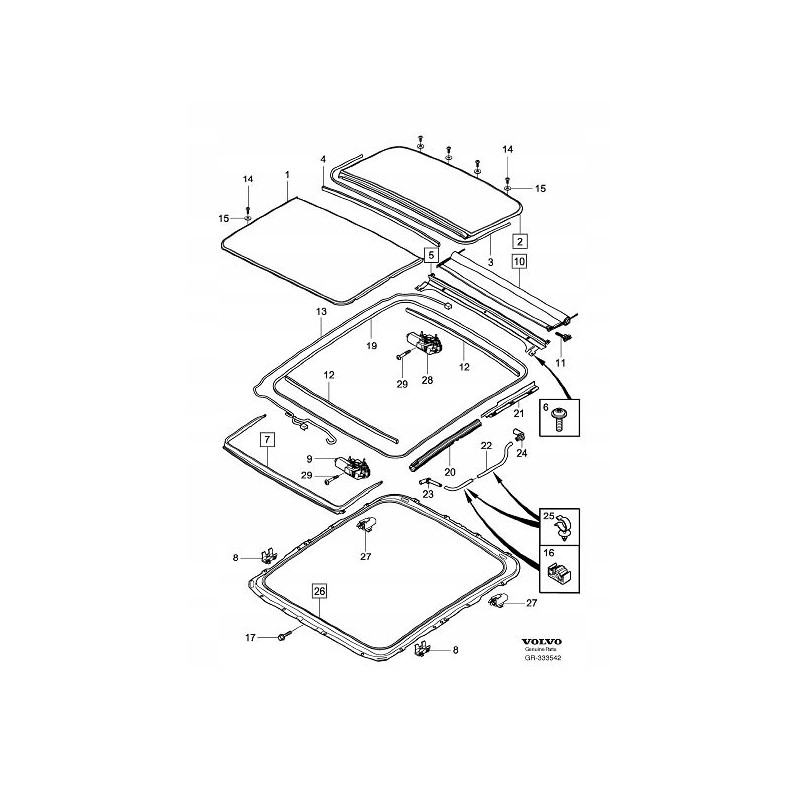
VOLVO XC60 odboj stoper szyberdachu 31278338 OE
Numer katalogowy: 31278338
55,20 zł
Masz pytania? Zadzwoń! +48 519 53 21 32
Opis produkty
Volvo XC60 (2009-2017)
odbój, stoper szyberdachu, na diagramie nr 8, 31278338 OE, część fabrycznie nowa, oryginalna
Część fabrycznie nowa, oryginalna.
Specyfikacja
31278338
111 Przedmioty
| Stan | Nowy |
|---|---|
| Typ samochodu | Samochody osobowe |
| Numer katalogowy części | 31278338 |
-
Produkty które klienci kupili z tym produktem
Poprzedni
keyboard_arrow_left
Następny
keyboard_arrow_right