- Zadzwoń! +48 519 53 21 32
-
-
-
-
Filtry +
-
-
-
- Pozostałe
-
- Osłony, zaślepki
- Sprężyny gazowe
- Panele sterowania, przełączniki
- Liczniki, zegary
- Nawigacje GPS fabryczne
- Poduszki powietrzne
- Pasy bezpieczeństwa
- Pozostałe
- Kierownice
- Kratki nawiewu
- Fotele, kanapy
- Uchwyty fabryczne
- Podłokietniki
- Pedały
- Boczki bagażnika
- Tunele środkowe
- Deski rozdzielcze, konsole
- Rolety bagażnika
- Podsufitki
- Elementy mocujące
- Poszycia słupków
- Półki tylne
- Mocowanie koła zapasowego
- Wykładzina
- Schowki, półki
- Klamki wewnętrzne
- Lusterka wewnętrzne
- Osłony przeciwsłoneczne
- Oświetlenie kabiny
- Zagłówki
- Boczki drzwi
- Popielniczki
-
-
-
-
-
-
-
- Promocje i wyprzedaże
- O nas
- Kontakt
- Zadzwoń! +48 667 550 129
Poprzedni
keyboard_arrow_left
Następny
keyboard_arrow_right
Link do produktu
Link skopiowany!
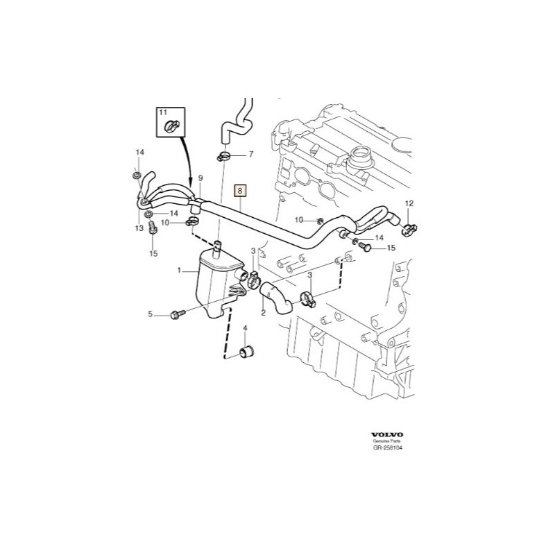
VOLVO rura układu odpowietrzania skrzyni korbowej 30731068
Numer katalogowy: 30731068
1 227,52 zł
Przy zakupie do 16:00, wysyłka w kolejnym dniu roboczym
Masz pytania? Zadzwoń! +48 519 53 21 32
Opis produkty
VOLVO rura ukladu odpowietrzania skrzyni korbowej | Volvo OE 30731068
Zastosowanie:
- C70 CONV (-05)
- C70 COUPE (-02)
- S60 (-09)
- S70
- S80 (-06)
- XC70
- XC90 (03-)
Parametry:
- Stan: Nowy
- Producent części: Volvo OE
- Typ samochodu: Samochody osobowe
- Numer katalogowy części: 30731068
Oferowana część jest oryginalna, fabrycznie nowa.
-
Produkty które klienci kupili z tym produktem
Poprzedni
keyboard_arrow_left
Następny
keyboard_arrow_right