- Zadzwoń! +48 519 53 21 32
-
-
-
-
Filtry +
-
-
-
- Pozostałe
-
- Osłony, zaślepki
- Sprężyny gazowe
- Panele sterowania, przełączniki
- Liczniki, zegary
- Nawigacje GPS fabryczne
- Poduszki powietrzne
- Pasy bezpieczeństwa
- Pozostałe
- Kierownice
- Kratki nawiewu
- Fotele, kanapy
- Uchwyty fabryczne
- Podłokietniki
- Pedały
- Boczki bagażnika
- Tunele środkowe
- Deski rozdzielcze, konsole
- Rolety bagażnika
- Podsufitki
- Elementy mocujące
- Poszycia słupków
- Półki tylne
- Mocowanie koła zapasowego
- Wykładzina
- Schowki, półki
- Klamki wewnętrzne
- Lusterka wewnętrzne
- Osłony przeciwsłoneczne
- Oświetlenie kabiny
- Zagłówki
- Boczki drzwi
- Popielniczki
-
-
-
-
-
-
-
- Promocje i wyprzedaże
- O nas
- Kontakt
- Zadzwoń! +48 667 550 129
Poprzedni
keyboard_arrow_left
Następny
keyboard_arrow_right
Link do produktu
Link skopiowany!
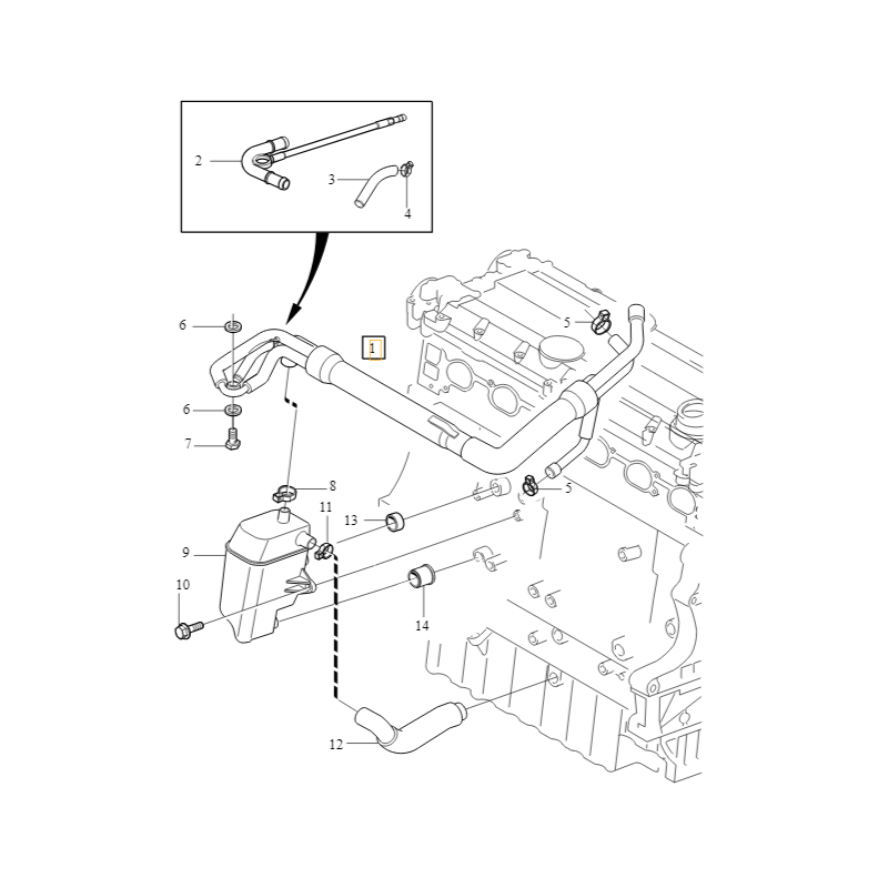
VOLVO XC90 2,9T separator oleju puszka odma odpowietrzenie skrzyni korbowej OE
Numer katalogowy: 30622235x1+30713120x1+8653339x19458535x1
843,68 zł
Wysyłka w przeciągu 10 dni roboczych
Masz pytania? Zadzwoń! +48 519 53 21 32
Opis produkty
VOLVO XC90 2,9T separator oleju puszka odma odpowietrzenie skrzyni korbowej OE | Volvo OE
Zastosowanie:
- XC90
Parametry:
- Stan: Nowy
- Producent części: Volvo OE
- Typ samochodu: Samochody osobowe
- Numer katalogowy części: 30622235x1+30713120x1+8653339x19458535x1
Oferowana część jest oryginalna, fabrycznie nowa.
Często producenci stosują części o różnych parametrach dla samochodów w tym samym modelu i roczniku. W przypadku niepewności o właściwy dobór części, zalecana jest weryfikacja wg numeru VIN.Specyfikacja
30622235x1+30713120x1+8653339x19458535x1
50 Przedmioty
| Stan | Nowy |
|---|---|
| Jakość części (zgodnie z GVO) | O - oryginał z logo producenta samochodu (OE) |
| Typ silnika | Benzyna |
| Numer katalogowy części | 30622235x1 + 30713120x1 +8653339x1 9458535x1 |
| Producent Części | Volvo OE |
| Typ Samochodu | Samochody osobowe |
-
Produkty które klienci kupili z tym produktem
Poprzedni
keyboard_arrow_left
Następny
keyboard_arrow_right